Каталог подшипников

Опорный ролик с цапфой NUKR 52 XA

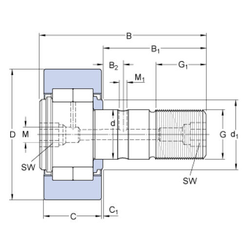
Опорные ролики этого типа были разработаны на основе роликоподшипников. Основным конструктивным отличием роликов и роликоподшипников является наличие у первых цапфы с нарезанной резьбой. Резьба предназначена для крепления изделия на детали с помощью шестигранной гайки. Длина резьбовой части зависит от типоразмера ролика. Благодаря цапфе монтаж изделий значительно облегчается, для их крепежа достаточно обычного гаечного ключа. Наружная поверхность может быть цилиндрической или сферической. Наружное кольцо имеет увеличенную толщину, благодаря чему обеспечивается высокая устойчивость роликовой опоры к радиальным нагрузкам. Надежность ролику придают также фланцевые кольца, благодаря которым он принимает осевые нагрузки. Это очень важно в случае возникновения опрокидывающего момента или перекоса относительно наружного кольца. Для защиты подшипника используются уплотнители из полиамида, которые устанавливаются с двух сторон ролика.
Развернуть описание
под заказ Запрос цены Скачать характеристики в PDF
Имя
Телефон
E-mail

Характеристики

Производитель SKF
Внутр. диаметр d, мм 20
Внеш. диаметр D, мм 52
Ширина B, мм 66
Ширина B1, мм. 40.5
Ширина B2, мм. 9
Ширина наружного кольца С, мм 24
Размер C1, мм. 0.8
Номинальная динамическая грузоподъемность, кН 29.7
Номинальная статическая грузоподъемность, кН 36
Предельная частота вращения, об/мин 3200
Размер d1, мм. 31
Максимальная динамическая радиальная нагрузка Fr, kN 18
Максимальная статическая радиальная нагрузка For, kN 25.5
Предел усталостной прочности Pu, kN 4.25
Резьба G M20x1.5
Длина резьбы G1,мм 21
Значение M, мм 8
Значение M1, мм 4
Значение SW, мм 10
Образующая поверхность наружного кольца цилиндрическая
Эксцентриковое стопорное кольцо на цапфе Без кольца
Масса, кг 0.45

Наши преимущества

Оперативная курьерская доставка

Самые выгодные цены

100% гарантия

Процесс производства


Товар добавлен в корзину

Продолжить покупки Оформить заказ

Отзывы

Оценка:
Защита от автоматических сообщений
CAPTCHA
Введите слово на картинке
Наверх