Каталог подшипников

Шарнирный подшипник скольжения GEEM 35 ES 2RS LDI

Другие названия товара: GEM35ES-2RS, GE35HO-2RS

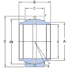
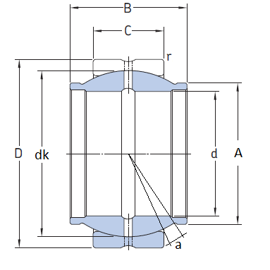
Самоустанавливающиеся радиальные подшипники скольжения предназначены для принятия больших нагрузок. Выпускаются в 3 вариациях: с каналом для смазки и без него, со смазочным отверстием и защитным уплотнением. Благодаря высокой износостойкости подшипники возможно эксплуатировать в тяжелых условиях, где требуется восприятие ударных и статических нагрузок. Шарнирные подшипники скольжения имеют внутреннее выпуклое кольцо. За счет таких особенностей конструкции деталь способна компенсировать движения колебательного или наклонного типа между осью и корпусом, образующихся при работе механизма.

Развернуть описание
под заказ Запрос цены Скачать характеристики в PDF
Имя
Телефон
E-mail

Характеристики

Производитель LDI
Внутр. диаметр d, мм 35
Внеш. диаметр D, мм 55
Ширина B, мм 35
Обслуживаемые-необслуживаемые обслуживаемые
Ширина наружного кольца С, мм 20
Тип подшипника закрытый контактными уплотнениями 2RS 2RSR 2RSH 2RS1 2HRS с двух сторон
Номинальная динамическая грузоподъемность, кН 80
Номинальная статическая грузоподъемность, кН 400
Пара скольжения СТАЛЬ / СТАЛЬ
Масса, кг 0.24

Наши преимущества

Оперативная курьерская доставка

Самые выгодные цены

100% гарантия

Процесс производства


Товар добавлен в корзину

Продолжить покупки Оформить заказ

Отзывы

Оценка:
Защита от автоматических сообщений
CAPTCHA
Введите слово на картинке
Наверх