Каталог подшипников

Шарнирный подшипник скольжения ШС6

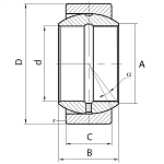
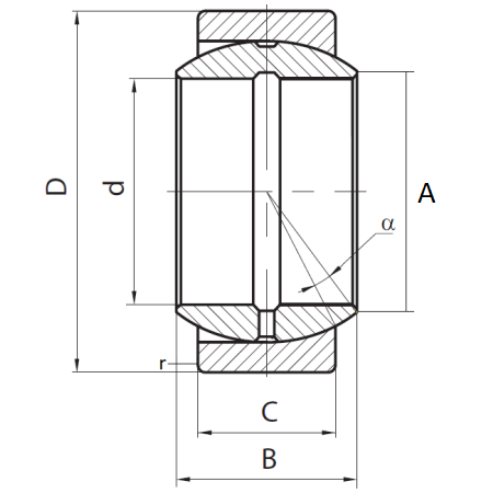
Самоустанавливающиеся радиальные подшипники скольжения предназначены для принятия больших нагрузок. Выпускаются в 3 вариациях: с каналом для смазки и без него, со смазочным отверстием и защитным уплотнением. Благодаря высокой износостойкости подшипники возможно эксплуатировать в тяжелых условиях, где требуется восприятие ударных и статических нагрузок. Шарнирные подшипники скольжения имеют внутреннее выпуклое кольцо. За счет таких особенностей конструкции деталь способна компенсировать движения колебательного или наклонного типа между осью и корпусом, образующихся при работе механизма.

Развернуть описание
под заказ Запрос цены Скачать характеристики в PDF
Имя
Телефон
E-mail

Характеристики

Внутр. диаметр d, мм 6
Внеш. диаметр D, мм 14
Ширина B, мм 6
Обслуживаемые-необслуживаемые обслуживаемые
Ширина наружного кольца С, мм 4
Пара скольжения СТАЛЬ / СТАЛЬ
Значение r, мм 0.5
Размер A, мм 8
Масса, кг 0.005
Отверстия и канавки для смазки на внутреннем кольце
Обозначение по ГОСТу

Наши преимущества

Оперативная курьерская доставка

Самые выгодные цены

100% гарантия

Процесс производства


Товар добавлен в корзину

Продолжить покупки Оформить заказ

Отзывы

Оценка:
Защита от автоматических сообщений
CAPTCHA
Введите слово на картинке
Наверх