Работаем для Вас с понедельника по четверг — с 8.00. до 17.30
В пятницу — с 8.00 до 17.00
Каталог подшипников

Шлицевая гайка KM 15 IBU-IBB

Шлицевыми гайками (ШЦ) называется крепеж, посредством которого производят фиксацию подшипников на осях или на втулках. Изделия изготавливаются из стали повышенной прочности с пределом на растяжение не менее 350 Н/мм2. Главная особенность ШЦ — наличие 4 или 8 шлицов (в зависимости от размеров) на внешней стороне метизов. Они облегчают монтажные и демонтажные работы. Шлицевые крепежные элементы характеризуются небольшими радиальными размерами и малым весом. Метизы обеспечивают надежную фиксацию подшипника. Их использование исключает риски произвольного откручивания деталей.

Развернуть описание
под заказ Запрос цены Скачать характеристики в PDF
Имя
Телефон
E-mail

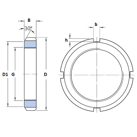
Характеристики

Производитель IBU-IBB
Внеш. диаметр D, мм 98
Ширина B, мм 13
Размер D1 90
Значение b, мм 8
Осевая статическая грузоподъемность, кН 134
Значение h, мм 3.5
Резьба G M75x2
Тип стопорной гайки Тип KM (L) и HM..T
Стопорная шайба MB15
Ключ HN15
Масса, кг 0.27

Наши преимущества

Оперативная курьерская доставка

Самые выгодные цены

100% гарантия

Процесс производства


Товар добавлен в корзину

Продолжить покупки Оформить заказ

Отзывы

Оценка:
Защита от автоматических сообщений
CAPTCHA
Введите слово на картинке
Наверх