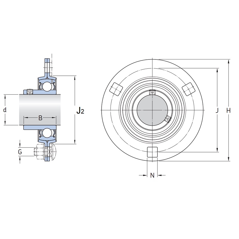
Фланцевые круглые подшипниковые узлы из штампованной стали состоят из двух одинаковых половинок, между которыми закрепляются корпусные подшипники типов UC, YAR, SB, SA, HC, 1726.., имеющие сферическое наружное кольцо. Благодаря сферичной поверхности наружного кольца подшипника, компенсируется несоосность монтируемых на одном валу подшипниковых фланцевых опор. Части корпуса (половинки), изготовленные из оцинкованной стали, имеют толщину около ~2 мм. Меньший вес выгодно отличает подшипниковые опоры, выполненные на основе корпусов из штампованной стали, по сравнению с опорами на чугунных фланцах, так же представленных в нашем интернет-магазине.
Цена:
215.58 р.
Цена для физ.лиц — 215.58 р.
Цена для юр.лиц — 197.10 р.
Скачать характеристики в PDF
Состав комплекта
Характеристики
Производитель | SXM |
Внутр. диаметр d, мм | 20 |
Размер J2, мм. | 55 |
Подшипник | SB 204 |
Ширина B, мм | 25 |
Общая высота H, мм | 91 |
Тип корпуса | тип PF / FLAN..-MSB |
Тип подшипника в корпусе | SB / YAT / GAY / US / UE |
Номинальная динамическая грузоподъемность, кН | 12.8 |
Номинальная статическая грузоподъемность, кН | 6.65 |
Корпус | PF 204 |
Диаметр по центрам крепежных отверстий P (J), мм. | 71 |
Масса, кг | 0.3 |
Наши преимущества

Оперативная курьерская доставка

Самые выгодные цены

100% гарантия