Работаем для Вас с понедельника по четверг — с 8.00. до 17.30
В пятницу — с 8.00 до 17.00
Каталог подшипников

Однорядный радиальный шарикоподшипник F627-ZZ

Однорядные радиальные шарикоподшипники — самые применяемые подшипники качения. Открытые подшипники применяются для работы с высокими и очень высокими частотами вращения.Радиальные шарикоподшипники обозначением 2Z ZZ с обеих сторон имеют защитные шайбы и пригодны для работы с высокой частотой вращения. Подшипники с обозначением 2RS 2RS1 2RSH 2RSR имеют с обеих сторон контактные уплотнения из бутадиен-нитрильного каучука (NBR) и пригодны для средних частот вращения. Также поставляются подшипники с бесконтактными уплотнениями 2BRS BRS RZ 2RZ . Данные подшипники обладают низкими потерями на трение.
Развернуть описание
под заказ Запрос цены Скачать характеристики в PDF
Имя
Телефон
E-mail

Характеристики

Производитель LDI
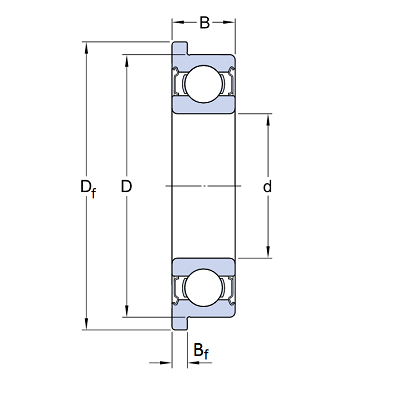
Внутр. диаметр d, мм 7
Внеш. диаметр D, мм 22
Ширина B, мм 7
Тип подшипника закрытый железными защитными шайбами ZZ 2Z c двух сторон
Ширина фланца Bf, мм. 1.5
Внешний диаметр по фланцу Df, мм. 25
Конструктивные особенности с фланцем
Номинальная динамическая грузоподъемность, кН 2.56
Номинальная статическая грузоподъемность, кН 1.38
Радиальный внутренний зазор нормальный
Материал сепаратора стальной (стандартное исполнение)
Масса, кг 0.005

Наши преимущества

Оперативная курьерская доставка

Самые выгодные цены

100% гарантия

Процесс производства


Товар добавлен в корзину

Продолжить покупки Оформить заказ

Отзывы

Оценка:
Защита от автоматических сообщений
CAPTCHA
Введите слово на картинке
Наверх