Каталог подшипников

DIN504 B 55

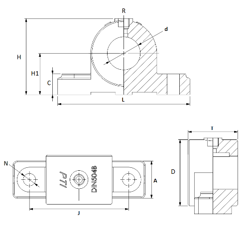
Один из элементов подшипникового узла — корпус на лапах. Деталь используется с подшипниками скольжения, имеет два крепежных отверстия. Разъемные корпуса изготавливаются в разных типоразмерах. Диаметр вала — от 25 до 140 мм, ширина — от 25 до 140 мм. Корпус подходит для подшипниковых узлов, используемых в промышленном оборудовании с раздельной установкой валов. Твердая смазка помещается в зазор между втулкой подшипника и валом. Смазочные материалы облегчают скольжение, благодаря чему повышается рабочий ресурс механизмов и оборудования.

Разъемный корпус облегчает монтаж. Кроме того, при выходе из строя одного из элементов подшипникового узла, нет необходимости менять его полностью. Корпус изготавливается по ГОСТ, поэтому отдельные элементы в нем легко заменить.

Развернуть описание
под заказ Запрос цены Скачать характеристики в PDF
Имя
Телефон
E-mail

Характеристики

Внутр. диаметр d, мм 55
Внеш. диаметр D, мм 100
Расстояние между центрами крепежных отверстий J, мм 160
Высота оси вала H1, мм. 70
Общая высота H, мм 125
Толщина узла T, мм. 80
Ширина подошвы узла А, мм. 55
Длина L, мм. 220
Диаметр отверстия под болт/шпильку N, мм 24
Значение C, мм 35
Значение R R1/4
B - без втулки скольжения

Наши преимущества

Оперативная курьерская доставка

Самые выгодные цены

100% гарантия

Процесс производства


Товар добавлен в корзину

Продолжить покупки Оформить заказ

Отзывы

Оценка:
Защита от автоматических сообщений
CAPTCHA
Введите слово на картинке
Наверх