Каталог подшипников

Наконечник штока TPN 7110 CE

Другие названия товара: GF110LO TS110CEN

Наконечники штоков со сварным хвостиком используются в специфических условиях эксплуатации. Их особенность — возможность приваривания к хвостику другого элемента гидросистемы. В зависимости от параметров штока и гидроцилиндра, хвостик может иметь сечение. Компания «ПромБеринг» предлагает наконечники с прямоугольным хвостовиком.

Пара скольжения в таких изделиях — сталь-сталь, поэтому наконечники являются обслуживаемыми. Подшипник, фиксирующийся в проушине головки, съемный. Мы предлагаем наконечники различных типоразмеров. Они отличаются внутренним и внешним диаметром головки, предназначены с использованием подшипников разных видов. В нашем каталоге можно подобрать деталь, соответствующую техническим особенностям гидросистемы.

Развернуть описание
под заказ Запрос цены Скачать характеристики в PDF
Имя
Телефон
E-mail

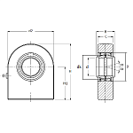
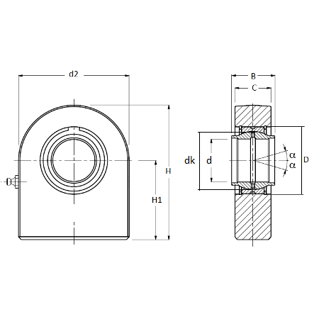
Характеристики

Внутр. диаметр d, мм 110
Внеш. диаметр D, мм 160
Высота оси вала H1, мм. 185
Подшипник GEEW110ES
Ширина B, мм 110
Обслуживаемые-необслуживаемые обслуживаемые
Общая высота H, мм 333
Ширина наружного кольца С, мм 80
Номинальная динамическая грузоподъемность, кН 655
Номинальная статическая грузоподъемность, кН 1
Исполнение Несъемный подшипник
Пара скольжения СТАЛЬ / СТАЛЬ
Угол наклона a, градусы 4
Значение d2,мм 295
Значение dk, мм 140
Масса, кг 49
Несъемный подшипник

Наши преимущества

Оперативная курьерская доставка

Самые выгодные цены

100% гарантия

Процесс производства


Товар добавлен в корзину

Продолжить покупки Оформить заказ

Отзывы

Оценка:
Защита от автоматических сообщений
CAPTCHA
Введите слово на картинке
Наверх