Каталог подшипников

Наконечник штока TPN 732 CE

Другие названия товара: GF32LO TS32CEN

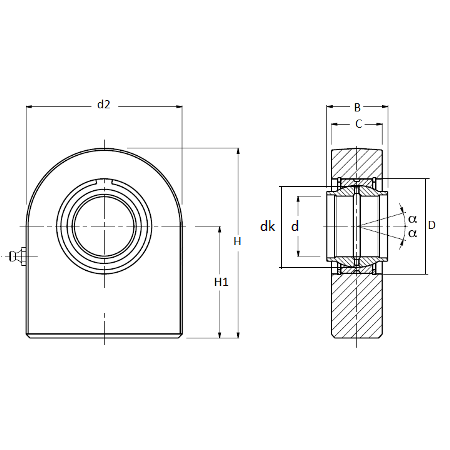
Наконечники штоков со сварным хвостиком используются в специфических условиях эксплуатации. Их особенность — возможность приваривания к хвостику другого элемента гидросистемы. В зависимости от параметров штока и гидроцилиндра, хвостик может иметь сечение. Компания «ПромБеринг» предлагает наконечники с прямоугольным хвостовиком.

Пара скольжения в таких изделиях — сталь-сталь, поэтому наконечники являются обслуживаемыми. Подшипник, фиксирующийся в проушине головки, съемный. Мы предлагаем наконечники различных типоразмеров. Они отличаются внутренним и внешним диаметром головки, предназначены с использованием подшипников разных видов. В нашем каталоге можно подобрать деталь, соответствующую техническим особенностям гидросистемы.

Развернуть описание
под заказ Запрос цены Скачать характеристики в PDF
Имя
Телефон
E-mail

Характеристики

Внутр. диаметр d, мм 32
Внеш. диаметр D, мм 52
Высота оси вала H1, мм. 65
Подшипник GEEW32ES
Ширина B, мм 32
Обслуживаемые-необслуживаемые обслуживаемые
Общая высота H, мм 103
Ширина наружного кольца С, мм 27
Номинальная динамическая грузоподъемность, кН 63
Номинальная статическая грузоподъемность, кН 168
Исполнение Несъемный подшипник
Пара скольжения СТАЛЬ / СТАЛЬ
Угол наклона a, градусы 4
Значение d2,мм 70
Значение dk, мм 44
Масса, кг 1.12
Несъемный подшипник

Наши преимущества

Оперативная курьерская доставка

Самые выгодные цены

100% гарантия

Процесс производства


Товар добавлен в корзину

Продолжить покупки Оформить заказ

Отзывы

Оценка:
Защита от автоматических сообщений
CAPTCHA
Введите слово на картинке
Наверх