Каталог подшипников

Наконечник штока TPN 740 CE

Другие названия товара: GF40LO TS40CEN

Наконечники штоков со сварным хвостиком используются в специфических условиях эксплуатации. Их особенность — возможность приваривания к хвостику другого элемента гидросистемы. В зависимости от параметров штока и гидроцилиндра, хвостик может иметь сечение. Компания «ПромБеринг» предлагает наконечники с прямоугольным хвостовиком.

Пара скольжения в таких изделиях — сталь-сталь, поэтому наконечники являются обслуживаемыми. Подшипник, фиксирующийся в проушине головки, съемный. Мы предлагаем наконечники различных типоразмеров. Они отличаются внутренним и внешним диаметром головки, предназначены с использованием подшипников разных видов. В нашем каталоге можно подобрать деталь, соответствующую техническим особенностям гидросистемы.

Развернуть описание
под заказ Запрос цены Скачать характеристики в PDF
Имя
Телефон
E-mail

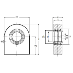
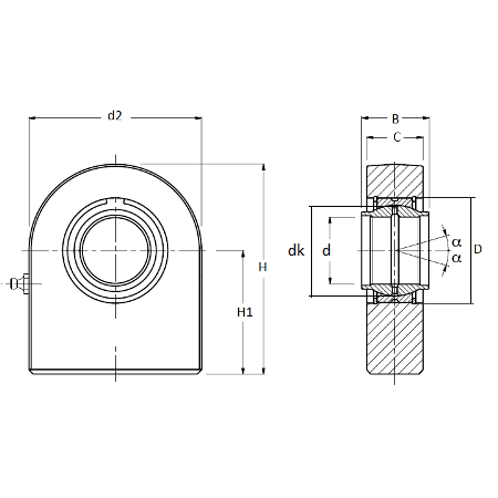
Характеристики

Внутр. диаметр d, мм 40
Внеш. диаметр D, мм 62
Высота оси вала H1, мм. 69
Подшипник GEEW40ES
Ширина B, мм 40
Обслуживаемые-необслуживаемые обслуживаемые
Общая высота H, мм 119
Ширина наружного кольца С, мм 35
Номинальная динамическая грузоподъемность, кН 100
Номинальная статическая грузоподъемность, кН 268
Исполнение Несъемный подшипник
Пара скольжения СТАЛЬ / СТАЛЬ
Угол наклона a, градусы 4
Значение d2,мм 100
Значение dk, мм 53
Масса, кг 2.5
Несъемный подшипник

Наши преимущества

Оперативная курьерская доставка

Самые выгодные цены

100% гарантия

Процесс производства


Товар добавлен в корзину

Продолжить покупки Оформить заказ

Отзывы

Оценка:
Защита от автоматических сообщений
CAPTCHA
Введите слово на картинке
Наверх