Каталог подшипников

Наконечник штока TPN 763 CE

Другие названия товара: GF63LO TS63CEN

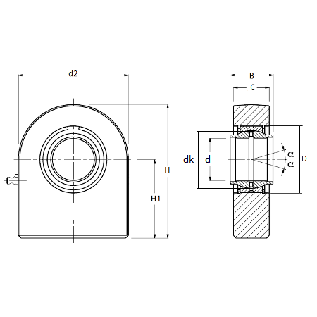
Наконечники штоков со сварным хвостиком используются в специфических условиях эксплуатации. Их особенность — возможность приваривания к хвостику другого элемента гидросистемы. В зависимости от параметров штока и гидроцилиндра, хвостик может иметь сечение. Компания «ПромБеринг» предлагает наконечники с прямоугольным хвостовиком.

Пара скольжения в таких изделиях — сталь-сталь, поэтому наконечники являются обслуживаемыми. Подшипник, фиксирующийся в проушине головки, съемный. Мы предлагаем наконечники различных типоразмеров. Они отличаются внутренним и внешним диаметром головки, предназначены с использованием подшипников разных видов. В нашем каталоге можно подобрать деталь, соответствующую техническим особенностям гидросистемы.

Развернуть описание
под заказ Запрос цены Скачать характеристики в PDF
Имя
Телефон
E-mail

Характеристики

Внутр. диаметр d, мм 63
Внеш. диаметр D, мм 90
Высота оси вала H1, мм. 107
Подшипник GEEW63ES
Ширина B, мм 63
Обслуживаемые-необслуживаемые обслуживаемые
Общая высота H, мм 178
Ширина наружного кольца С, мм 50
Номинальная динамическая грузоподъемность, кН 248
Номинальная статическая грузоподъемность, кН 570
Исполнение Несъемный подшипник
Пара скольжения СТАЛЬ / СТАЛЬ
Угол наклона a, градусы 4
Значение d2,мм 145
Значение dk, мм 80
Масса, кг 9.3
Несъемный подшипник

Наши преимущества

Оперативная курьерская доставка

Самые выгодные цены

100% гарантия

Процесс производства


Товар добавлен в корзину

Продолжить покупки Оформить заказ

Отзывы

Оценка:
Защита от автоматических сообщений
CAPTCHA
Введите слово на картинке
Наверх