Каталог подшипников

Наконечник штока TPN 790 CE

Другие названия товара: GF90LO TS90CEN

Наконечники штоков со сварным хвостиком используются в специфических условиях эксплуатации. Их особенность — возможность приваривания к хвостику другого элемента гидросистемы. В зависимости от параметров штока и гидроцилиндра, хвостик может иметь сечение. Компания «ПромБеринг» предлагает наконечники с прямоугольным хвостовиком.

Пара скольжения в таких изделиях — сталь-сталь, поэтому наконечники являются обслуживаемыми. Подшипник, фиксирующийся в проушине головки, съемный. Мы предлагаем наконечники различных типоразмеров. Они отличаются внутренним и внешним диаметром головки, предназначены с использованием подшипников разных видов. В нашем каталоге можно подобрать деталь, соответствующую техническим особенностям гидросистемы.

Развернуть описание
под заказ Запрос цены Скачать характеристики в PDF
Имя
Телефон
E-mail

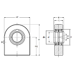
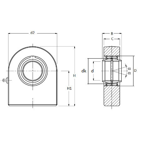
Характеристики

Внутр. диаметр d, мм 90
Внеш. диаметр D, мм 130
Высота оси вала H1, мм. 150
Подшипник GEEW90ES
Ширина B, мм 90
Обслуживаемые-необслуживаемые обслуживаемые
Общая высота H, мм 263
Ширина наружного кольца С, мм 65
Номинальная динамическая грузоподъемность, кН 490
Номинальная статическая грузоподъемность, кН 1045
Исполнение Несъемный подшипник
Пара скольжения СТАЛЬ / СТАЛЬ
Угол наклона a, градусы 4
Значение d2,мм 226
Значение dk, мм 115
Масса, кг 24
Несъемный подшипник

Наши преимущества

Оперативная курьерская доставка

Самые выгодные цены

100% гарантия

Процесс производства


Товар добавлен в корзину

Продолжить покупки Оформить заказ

Отзывы

Оценка:
Защита от автоматических сообщений
CAPTCHA
Введите слово на картинке
Наверх