Каталог подшипников

Корпусной подшипниковый узел на лапах SY 60 WF

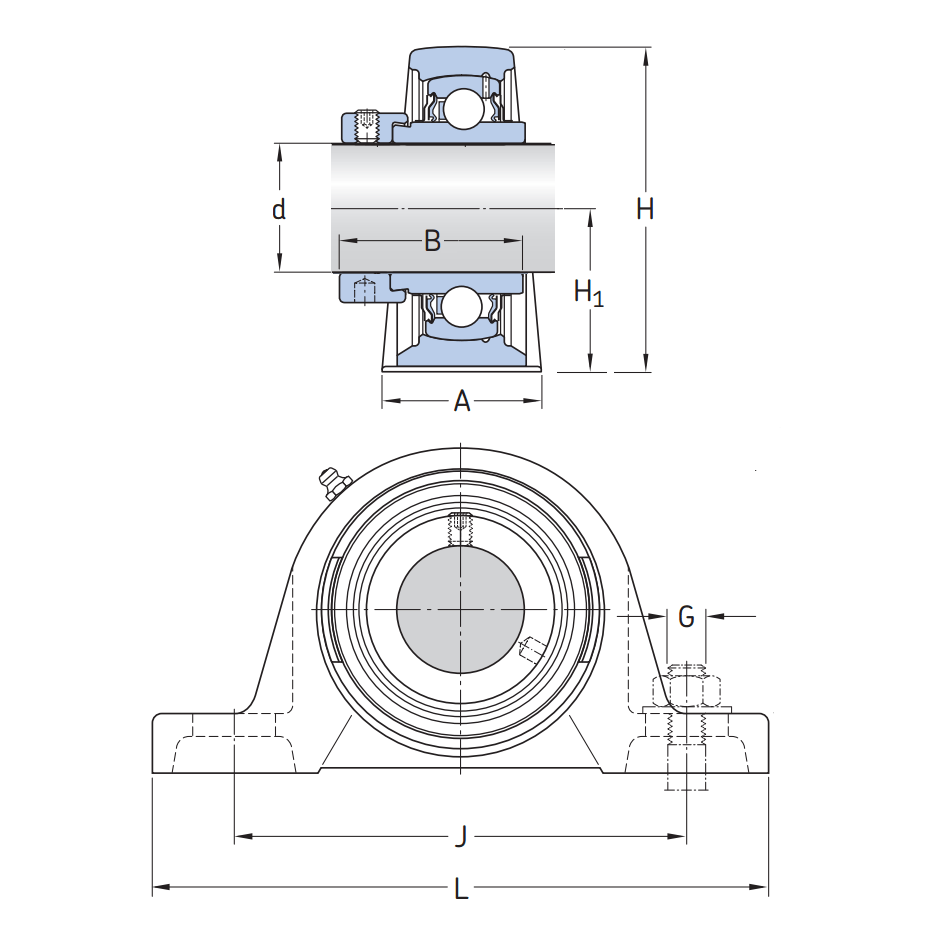
Корпусной подшипниковый узел на лапах состоит из корпуса выполненного из серого чугуна, нержавеющей стали или термопластика и снабжен специальным подшипником для корпусных узлов имеющим сферическое наружное кольцо. При монтаже корпусных подшипниковых узлов в парах эта конструктивная особенность позволяет компенсировать угловой перекос вала или неточность монтажа. Узлы на лапах являются обслуживаемыми, подшипник может быть смазан через специальный фиттинг (тавотницу) консистентной смазкой.
Развернуть описание
под заказ Запрос цены Скачать характеристики в PDF
Имя
Телефон
E-mail

Характеристики

Производитель SKF
Внутр. диаметр d, мм 60
Расстояние между центрами крепежных отверстий J, мм 190.5
Высота оси вала H1, мм. 69.9
Подшипник YEL 212-2F
Ширина B, мм 77.8
Материал корпуса чугун
Общая высота H, мм 138
Ширина подошвы узла А, мм. 60
Длина L, мм. 240
Тип корпуса тип SY
Тип подшипника в корпусе HC / YEL / GE / GNE / EX / LY
Рекомендуемый диаметр крепежного болта/шпильки, мм 16
Номинальная динамическая грузоподъемность, кН 52.7
Номинальная статическая грузоподъемность, кН 36
Предельная частота вращения, об/мин 3400
Корпус SY 512 M
Масса, кг 4.75

Наши преимущества

Оперативная курьерская доставка

Самые выгодные цены

100% гарантия

Процесс производства


Товар добавлен в корзину

Продолжить покупки Оформить заказ

Отзывы

Оценка:
Защита от автоматических сообщений
CAPTCHA
Введите слово на картинке
Наверх