Работаем для Вас с понедельника по четверг — с 8.00. до 17.30
В пятницу — с 8.00 до 17.00
Каталог подшипников

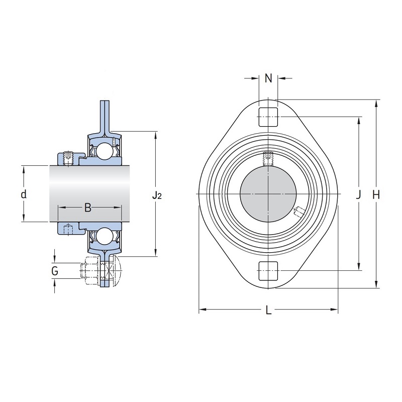
Корпусной подшипниковый узел с овальным фланцем из штампованной стали SAPFL 203 IBU-IBB

Другие названия товара: BPFL-SA203 PFT17FM UYP203 RAT17 SLFL17EC

Фланцевые овальные подшипниковые узлы из штампованной стали состоят из двух одинаковых половинок, между которыми закрепляются корпусные подшипники типов US, YAR, SB, SA, HC, 1726.., имеющие сферическое наружное кольцо. Благодаря сферичной поверхности наружного кольца подшипника, компенсируется несоосность монтируемых на одном валу подшипниковых фланцевых опор. Части корпуса (половинки), изготовленные из оцинкованной стали, имеют толщину около ~2 мм. Меньший вес выгодно отличает подшипниковые опоры, выполненные на основе корпусов из штампованной стали, по сравнению с опорами на чугунных фланцах, так же представленных в нашем интернет-магазине.
Развернуть описание
под заказ Запрос цены Скачать характеристики в PDF
Имя
Телефон
E-mail
Состав комплекта
Название Кол-во в комплекте Цена за ед. Наличие
PFL 201/2/3 1 шт. 61.36 р. в наличии 259 шт.
SA203 1 шт. 258.04 р. под заказ

Характеристики

Производитель IBU-IBB
Внутр. диаметр d, мм 17
Расстояние между центрами крепежных отверстий J, мм 63.5
Подшипник SA203
Ширина B, мм 28.6
Общая высота H, мм 59
Длина L, мм. 81
Тип подшипника в корпусе SA / YET / GRAE / RAE / RALE / ES / UY
Рекомендуемый диаметр крепежного болта/шпильки, мм 6
Номинальная динамическая грузоподъемность, кН 9.2
Номинальная статическая грузоподъемность, кН 4.48
Корпус PFL 201/2/3
Диаметр отверстия под болт/шпильку N, мм 7.1
Масса, кг 0.22

Наши преимущества

Оперативная курьерская доставка

Самые выгодные цены

100% гарантия

Процесс производства


Товар добавлен в корзину

Продолжить покупки Оформить заказ

Отзывы

Оценка:
Защита от автоматических сообщений
CAPTCHA
Введите слово на картинке
Наверх