Каталог подшипников

Трехболтовый фланцевый корпусной подшипниковый узел из термопластика SBFB 205 PL с манжетой и закрытой крышкой LDI

Трех-болтовой фланцевый подшипниковый узел из термопластика обычно применяется для конструирования оборудования для пищевой промышленности. Узел удобно применить там, где ограничено пространство для монтажа корпусных узлов с другим типом фланца - овальным или квадратным. Три крепежных отверстия размещены в вершинах равнобедренного треугольника. Узел имеет ребро жесткости, и тавотницу для смазывания узла. По желанию узел может быть укомплектован подшипником из подшипниковой стали, нержавеющей стали или в корозионностойком исполнении.
Развернуть описание
под заказ Запрос цены Скачать характеристики в PDF
Имя
Телефон
E-mail
Состав комплекта
Название Кол-во в комплекте Цена за ед. Наличие
Корпус FB 205 PL без подшипника 1 шт. 614.10 р. под заказ
SB205 1 шт. 159.46 р. в наличии 1063 шт.
закрытая TCPE205 Черная 1 шт. 47.26 р. под заказ
Манжета армированная 25*62*7 (тип 2) 1 шт. 88.96 р. в наличии 88 шт.

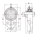
Характеристики

Производитель LDI
Внутр. диаметр d, мм 25
Внеш. диаметр D, мм 70
Расстояние между центрами крепежных отверстий J, мм 41.3
Размер J2, мм. 46
Расстояние между центрами крепежных отверстий J1, мм. 28.6
Подшипник SB205
Общая высота H, мм 120.6
Толщина фланца А1, мм 28
Длина L, мм. 63.5
Тип подшипника в корпусе UC / YAR / GYE / LE
Рекомендуемый диаметр крепежного болта/шпильки, мм 10
Корпус FB 205 PL
Тип крышки Закрытая
ЦВЕТ КОРПУСА ЧЕРНЫЙ
Масса, кг 0.11

Наши преимущества

Оперативная курьерская доставка

Самые выгодные цены

100% гарантия

Процесс производства


Товар добавлен в корзину

Продолжить покупки Оформить заказ

Отзывы

Оценка:
Защита от автоматических сообщений
CAPTCHA
Введите слово на картинке
Наверх