Каталог подшипников

Натяжной корпусной подшипниковый узел из термопастика SUCT PL 201

Другие названия товара: TPL204 MUCTPL201 SSUCT201PL T204PL SUCTPL201 SUCT201PL

под заказ Запрос цены Скачать характеристики в PDF
Имя
Телефон
E-mail

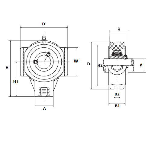
Характеристики

Производитель FK
Внутр. диаметр d, мм 12
Внеш. диаметр D, мм 88
Высота оси вала H1, мм. 64
Подшипник SSUC201
Ширина B, мм 31
Ширина B1, мм. 27.5
Ширина B2, мм. 12
Общая высота H, мм 99
Высота H2, мм. 76
Ширина подошвы узла А, мм. 36
Рекомендуемый диаметр крепежного болта/шпильки, мм 16
Корпус TPL204
Размер W, мм. 47
Масса, кг 0.35

Наши преимущества

Оперативная курьерская доставка

Самые выгодные цены

100% гарантия

Процесс производства


Товар добавлен в корзину

Продолжить покупки Оформить заказ

Отзывы

Оценка:
Защита от автоматических сообщений
CAPTCHA
Введите слово на картинке
Наверх